焦作市天锦制动器有限公司是集产品研制、开发、制造、服务于一体的具有法人资格的制动器厂家
您当前所在的位置:首页 > 产品展示 > 驱动装置 > 液压站
发布日期:2015-10-08
描述:
我司生产各种电力液压制动器,电磁鼓式制动器,液压、电磁、气动盘式制动器、失效保护盘式制动器、电力液压推动器,电力液压防风装置,防爆制动器等三十余个系列,800多个品种规格的产品,具有年产各类制动器、推动器产品5万台套的生产能力,产品广泛应用于:起重、矿山、机械、冶金、电力、铁路、水利、港口、码头、化工等行业。
推荐产品:
产品分类
鼓式制动器
电力液压鼓式制动器
电磁鼓式制动器
气动鼓式制动器
常开操纵鼓式制动器
液压脚踏式制动器
盘式制动器
电力液压盘式制动器
气动盘式制动器
电磁盘式制动器
安 全制动器
失效保护制动器
偏航制动器
防风制动器
液压轮边制动器
液压夹轨器
液压顶轨制动器
防风铁楔制动器
防爆产品
防爆制动器
防爆推动器
驱动装置
YT1系列推动器
ED系列推动器
电液推杆
电磁推动器
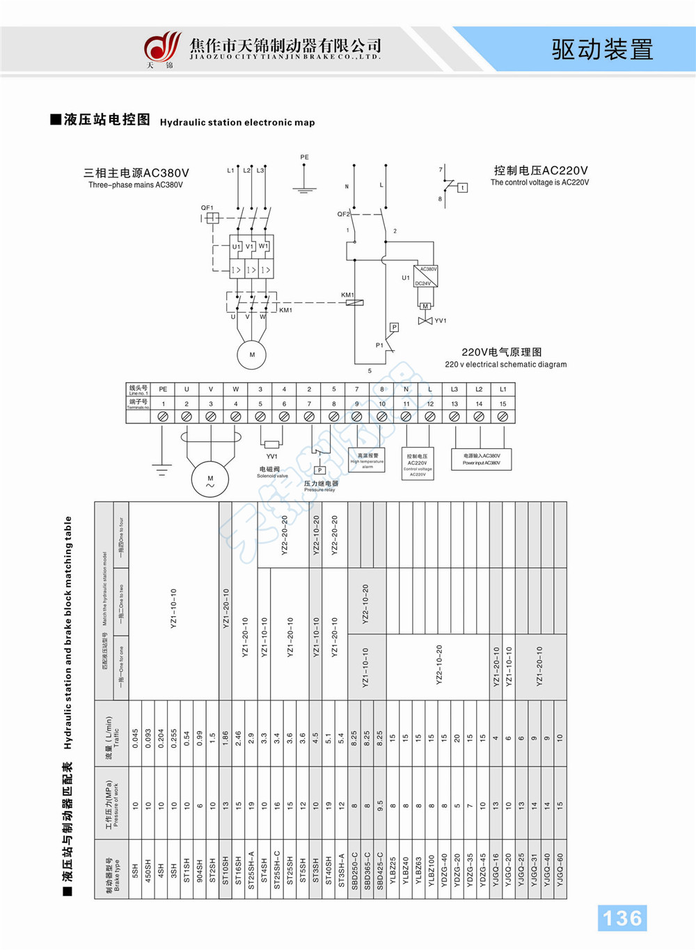
液压站
脚踏泵
制动器配件
电机
刹车片(摩擦片)
闸瓦(制动瓦)
彭经理
18864776661
tjzdq@126.com
河南省焦作市武陟县虹桥工业区
我们会在24小时内回复您的信息,欢迎垂询!
了解公司新闻动态,获取行业前沿资讯
咨询热线
短信咨询
查看地图
二维码